PUMG510單相智能電力儀表,是集遙測、遙信、遙控、變送于一體的單相多功能智能電力儀表,功能豐富、性價比高,可獨立運用于不同場合的電量測量和顯示,幫助客戶節省投資和使用空間,在各行業已經得到廣泛的應用。
PUMG510單相智能電力儀表功能特點
1.可測量單相交流電壓、電流、有功/無功功率、有功/無功電度、
2.功率因數、頻率等
3.工作時間、負載時間統計功能
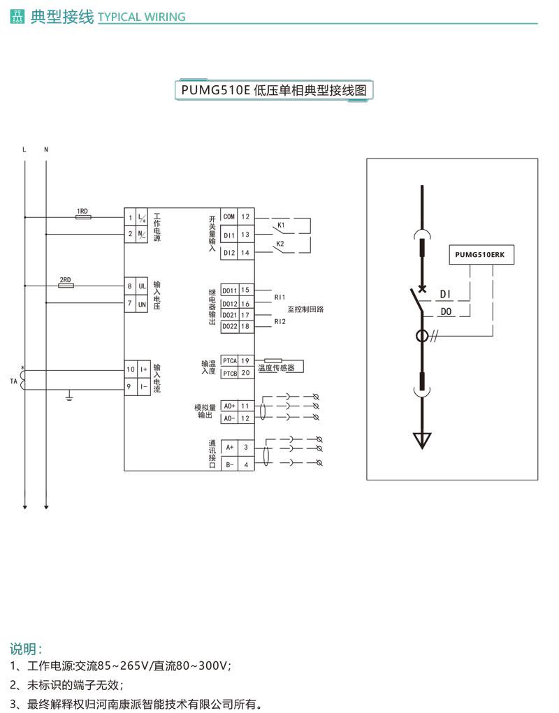
4.1路RS485通訊接口,Modbus-RTU通訊協議
5.可擴展2路無源開關量輸入
6.可擴展2路繼電器輸出
7.可擴展1路4~20mA模擬量輸出
8.1路無源光耦集電極有功脈沖輸出
9.優良的溫度特性和工作穩定性
10.可擴展1路PT100溫度輸入
11.FSTN液晶顯示 ,在強光和大視角環境下獲得良好的視覺效果
12.電壓、電流變比可編程

